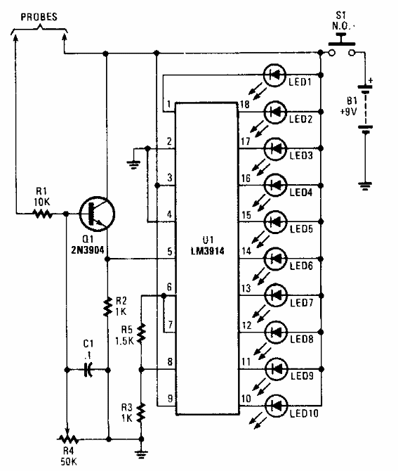
Este sensor de humedad indica los diferentes niveles de conducción de los sensores a través de una barra LED. El circuito es de una Popular Electronics y debe ser alimentado por baterías o baterías.

Sensor de humedad
Este sensor de humedad indica los diferentes niveles de conducción de los sensores a través de una barra LED. El circuito es de una Popular Electronics y debe ser alimentado por baterías o baterías.
