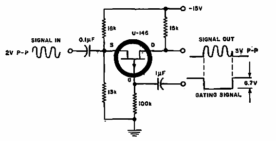
Encontrado en 1967 Electronics World, este circuito puede usar cualquier FET equivalente moderno. Observe la amplitud de las señales de entrada y salida.

Interruptor lineal con FET
Encontrado en 1967 Electronics World, este circuito puede usar cualquier FET equivalente moderno. Observe la amplitud de las señales de entrada y salida.
