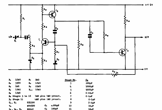
Encontramos este circuito en una documentación de Ferranti de 1968. El circuito usa transistores de esa época. Estos transistores pueden ser reemplazados por equivalentes modernos. El circuito divide la frecuencia de entrada por varios valores.

Divisor por 5 4 o 3



