Encontramos este circuito en la documentación de Intersil de la década de 1980. El circuito se aplica a otros amplificadores operacionais que deben ser alimentados por una fuente simétrica adecuada.

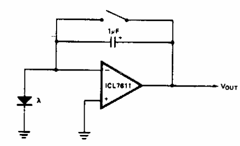
Integrador de fotodiodos
Encontramos este circuito en la documentación de Intersil de la década de 1980. El circuito se aplica a otros amplificadores operacionais que deben ser alimentados por una fuente simétrica adecuada.
