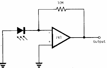
En la figura tenemos la manera de usar un LED común como sensor de luz. La fuente de alimentación del operacional debe ser simétrica. Se pueden usar otros operacionales.

LED fotosensor
En la figura tenemos la manera de usar un LED común como sensor de luz. La fuente de alimentación del operacional debe ser simétrica. Se pueden usar otros operacionales.
