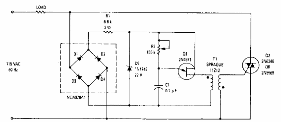
Encontrado en otra parte de esta sección, pero de otras fuentes, este circuito es de la documentación de Motorola. El circuito utiliza un triac de la época y un transformador de disparo. El circuito es para red de 110 V.

800 W Dimmer
Encontrado en otra parte de esta sección, pero de otras fuentes, este circuito es de la documentación de Motorola. El circuito utiliza un triac de la época y un transformador de disparo. El circuito es para red de 110 V.
