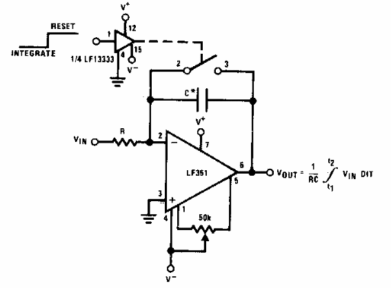
Sugerido por National Semiconductor en la documentación de los años 90, este circuito hace uso de un operacional de la época. La configuración se puede aplicar a componentes equivalentes modernos.

Integrador a largo periodo
Sugerido por National Semiconductor en la documentación de los años 90, este circuito hace uso de un operacional de la época. La configuración se puede aplicar a componentes equivalentes modernos.
