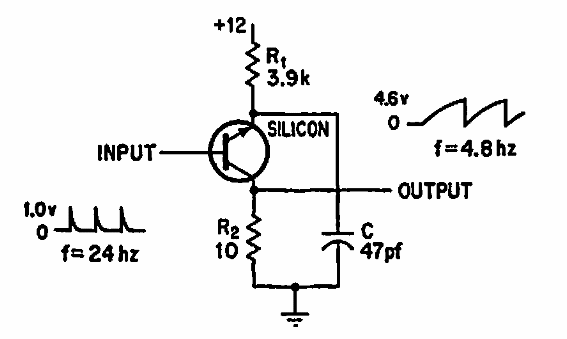
Encontramos este circuito en una documentación estadounidense de 1969. El circuito funciona con el transistor polarizado en reversa en el modo avalancha.

Divisor em modo avalancha
Encontramos este circuito en una documentación estadounidense de 1969. El circuito funciona con el transistor polarizado en reversa en el modo avalancha.
