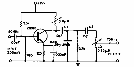
Este circuito de una Electronic Design electrónico de 1970 utiliza un varactor o varicap. El circuito divide la frecuencia de una señal de 150 MHz por 2. Aparecen versiones similares en este sitio.

Divisor con varicap
Este circuito de una Electronic Design electrónico de 1970 utiliza un varactor o varicap. El circuito divide la frecuencia de una señal de 150 MHz por 2. Aparecen versiones similares en este sitio.
