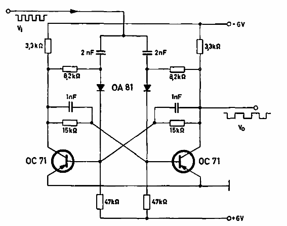
Este circuito divide la frecuencia de una señal de 2 kHz por 2. El circuito se encontró en la documentación de Philips de 1964. Los transistores modernos se pueden usar para frecuencias más altas.

Divisor de pulso
Este circuito divide la frecuencia de una señal de 2 kHz por 2. El circuito se encontró en la documentación de Philips de 1964. Los transistores modernos se pueden usar para frecuencias más altas.
