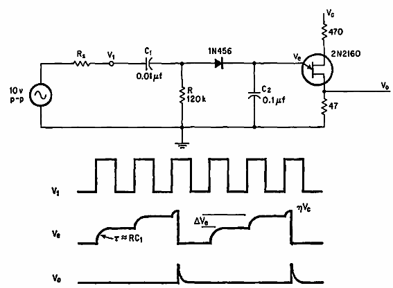
Encontrado en la documentación estadounidense de 1969, este circuito opera en el rango de frecuencia de 10 a 150 Hz proporcionando señales como se muestra en el diagrama.

Eliminador de jitter
Encontrado en la documentación estadounidense de 1969, este circuito opera en el rango de frecuencia de 10 a 150 Hz proporcionando señales como se muestra en el diagrama.
