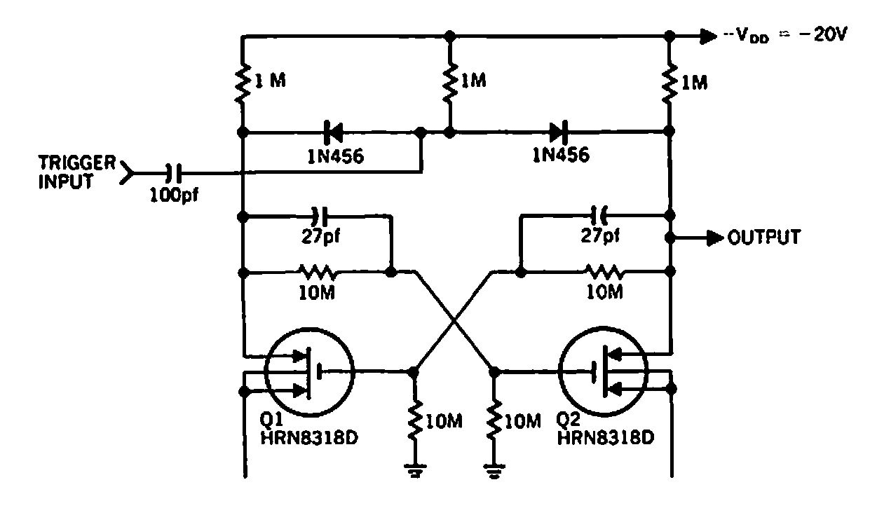
El circuito que se muestra se obtuvo de la documentación estadounidense de 1968. Los MOSFET se pueden reemplazar por equivalentes. La disipación del circuito es inferior a 0,5 mW.
Este circuito fue obtenido en una revista Radio Electronics americana de abril de 1980. La revista ya...
He encontrado este circuito en un artículo de la revista Electronics Today International de julio...
El circuito presentado consiste en un interruptor de tacto biestable hecho en torno a transistores de...