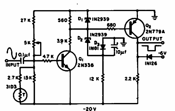
Encontrado en una Electronic Design de 1964, este circuito proporciona una salida rectangular de 1 a 25 kHz. Los componentes utilizados son de esa época.

Flip Flop con diodo túnel
Encontrado en una Electronic Design de 1964, este circuito proporciona una salida rectangular de 1 a 25 kHz. Los componentes utilizados son de esa época.
