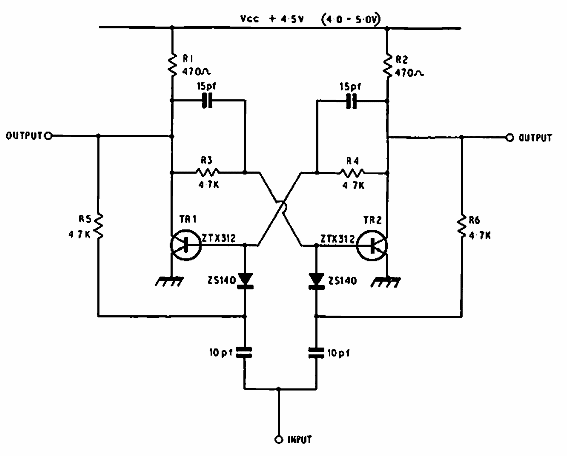
Encontrado en la documentación de Ferranti de 1969, este circuito tiene una frecuencia operativa máxima de 7,5 MHz. El circuito puede diseñarse con transistores modernos.

Flip Flop rápidos
Encontrado en la documentación de Ferranti de 1969, este circuito tiene una frecuencia operativa máxima de 7,5 MHz. El circuito puede diseñarse con transistores modernos.
