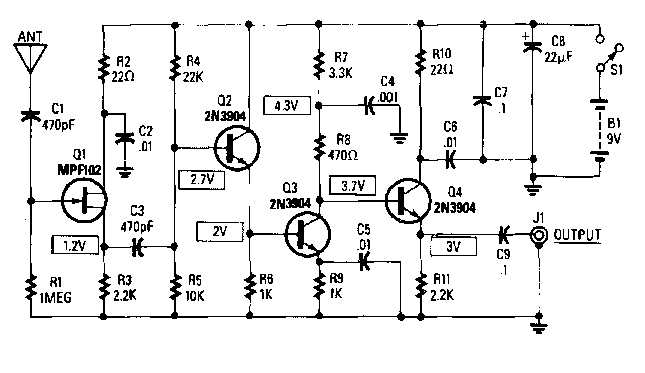
Este circuito para el rango de onda media y corta se encontró en una documentación estadounidense de 1992. El circuito puede usar transistores de propósito general y la antena puede ser externa o telescópica.

 

Antena activa
Antena activa | Haga click en la imagen para ampliar |