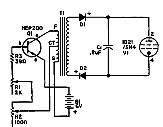
Este circuito utiliza una válvula estroboscópica, un componente que ya no existe en la actualidad. El circuito es de los años 70 y se puede adaptar para utilizar la tensión de red.

Estroboscópico
Este circuito utiliza una válvula estroboscópica, un componente que ya no existe en la actualidad. El circuito es de los años 70 y se puede adaptar para utilizar la tensión de red.
