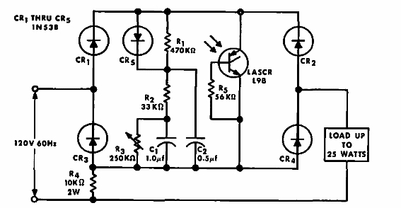
Este circuito de flash auxiliar fue sugerido por la documentación de General Electric en 1970. Hace uso de una foto-SCR o LASCR, un componente poco común en la actualidad.

Flash habilitado por flash
Este circuito de flash auxiliar fue sugerido por la documentación de General Electric en 1970. Hace uso de una foto-SCR o LASCR, un componente poco común en la actualidad.
