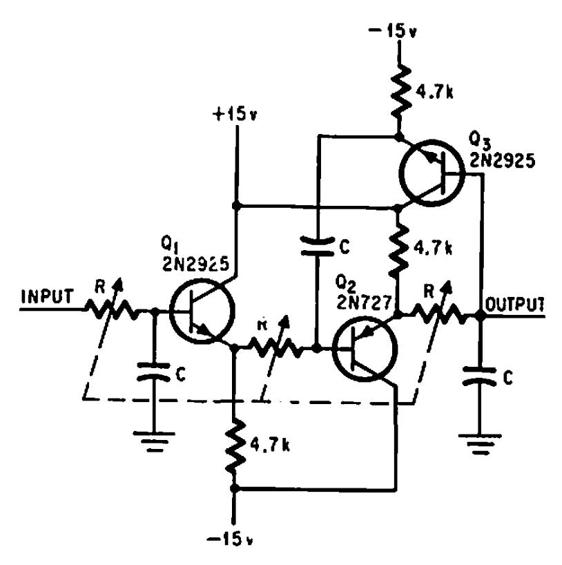
Encontrado en la documentación estadounidense de 1968, este circuito tiene un corte agudo de la frecuencia a la que está sintonizado y que depende de RC. Los transistores pueden ser equivalentes modernos de uso general.

 

Filtro de corte agudo
Filtro de corte agudo | Haga click en la imagen para ampliar |