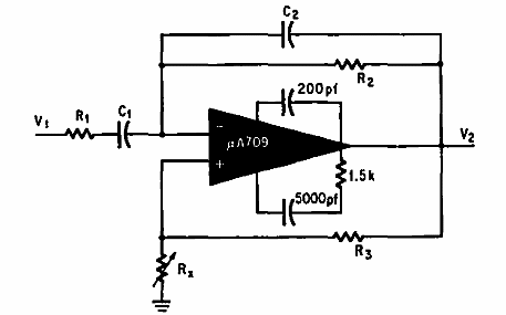
Encontrado en una documentación de 1967, este circuito se puede aplicar a cualquier amplificador operacional. Los componentes sin valores determinan la frecuencia a la que se sintoniza el circuito.

Filtro de paso de banda
Encontrado en una documentación de 1967, este circuito se puede aplicar a cualquier amplificador operacional. Los componentes sin valores determinan la frecuencia a la que se sintoniza el circuito.
