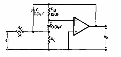
Esta configuración que se aplica a cualquier amplificador operacional se encontró en una documentación antigua. Para los valores de los componentes indicados, la frecuencia se puede ajustar de 1.6 a 2.5 kHz con una ganancia de 26 dB y un ancho de banda de 260 Hz.

Filtro de paso de banda ajustable



