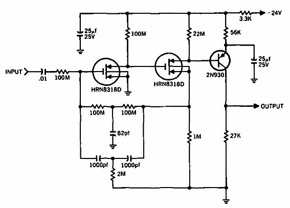
Este circuito Hughes de 1968 utiliza componentes de la época y funciona a 8 Hz. Se pueden emplear componentes equivalentes de corriente. Tenga en cuenta la alta tensión de alimentación.

8 Hz Doble T
Este circuito Hughes de 1968 utiliza componentes de la época y funciona a 8 Hz. Se pueden emplear componentes equivalentes de corriente. Tenga en cuenta la alta tensión de alimentación.
