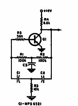
La señal de este circuito encontrada en 1968 Electronics World es sinusoidal y depende de los capacitores. Estos componentes pueden tener valores de 330 pF a 100 nF. La señal debe aplicarse a un amplificador.

Oscilador doble T
La señal de este circuito encontrada en 1968 Electronics World es sinusoidal y depende de los capacitores. Estos componentes pueden tener valores de 330 pF a 100 nF. La señal debe aplicarse a un amplificador.
