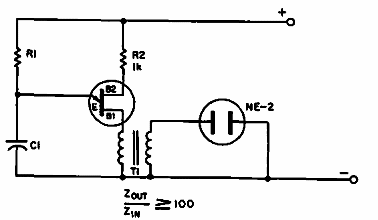
Este circuito simple, sugerido por la documentación de 1969, ya ha sido presentado en otros artículos en este sitio. El transformador debe tener devanados con las características dadas en la fórmula R1, C1 para determinar el parpadeo de la lámpara.

Inversor de neón



