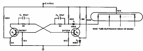
Este circuito de tubos Nixie se encontró en la documentación de 1965. Tenga en cuenta el alta tensión de suministro. Se utilizaron transistores apropiados de la época.

Nixie Driver
Este circuito de tubos Nixie se encontró en la documentación de 1965. Tenga en cuenta el alta tensión de suministro. Se utilizaron transistores apropiados de la época.
