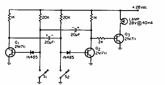
Encontrado en la documentación de 1967, este circuito utiliza transistores de época y acciona una bombilla común. Nada impide que se adapte para usar LED.

Indicador de 3 modos
Encontrado en la documentación de 1967, este circuito utiliza transistores de época y acciona una bombilla común. Nada impide que se adapte para usar LED.
