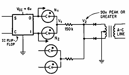
Este diagrama de una documentación de 1967 muestra cómo cambiar las lámparas de neón de alta tensión con salidas TTL de 5 V. El circuito se puede adaptar para funcionar como un shield.

Conmutación de 4 V para Neon
Este diagrama de una documentación de 1967 muestra cómo cambiar las lámparas de neón de alta tensión con salidas TTL de 5 V. El circuito se puede adaptar para funcionar como un shield.
