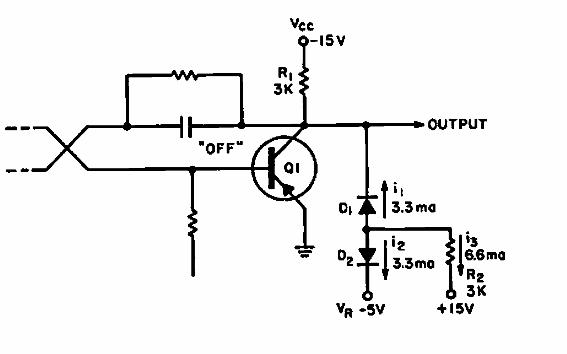
Encontrado en una Electronic Design de 1964, este transistor limita la amplitud de la señal a una carga. La salida está limitada a 0.2 V usando diodos de germanio.

Carga con limitador
Encontrado en una Electronic Design de 1964, este transistor limita la amplitud de la señal a una carga. La salida está limitada a 0.2 V usando diodos de germanio.
