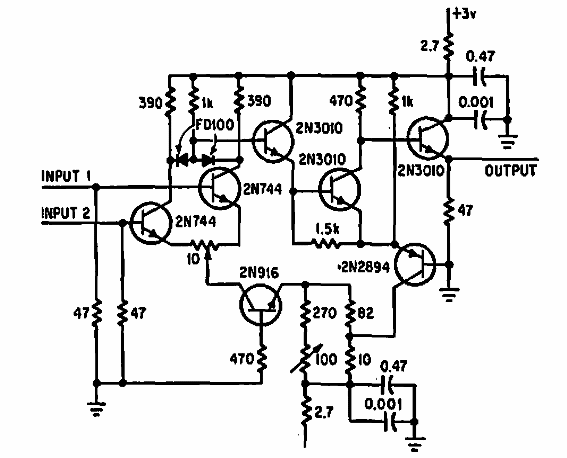
Este circuito se obtuvo de la documentación estadounidense de 1966. Se dispara cuando ambas tensiones de entrada están dentro de un rango preestablecido. El circuito se puede hacer con transistores modernos.

Detector de rango de tensiones
Este circuito se obtuvo de la documentación estadounidense de 1966. Se dispara cuando ambas tensiones de entrada están dentro de un rango preestablecido. El circuito se puede hacer con transistores modernos.
