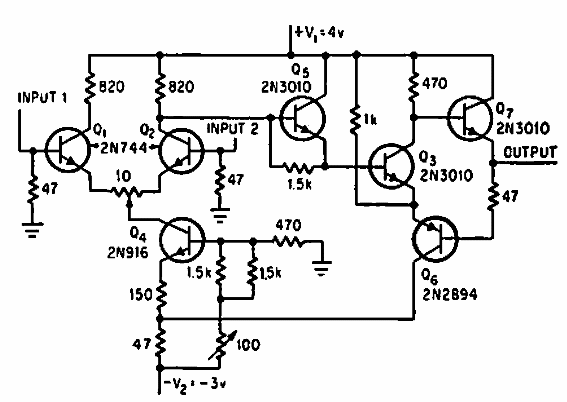
Este circuito se obtuvo de una documentación de 1966. Los transistores son de la época. El circuito debe ser alimentado por una fuente simétrica. Las señales pueden ser de hasta 14 MHz con una amplitud de 0.5 V.

Detector diferencial de señales débiles



