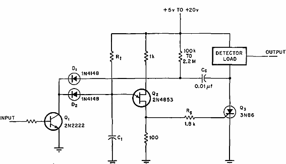
Este circuito de 1970 dispara una carga cuando recibe una señal. Los componentes son comunes y SCR admite equivalente a la carga.

Detector de señales
Este circuito de 1970 dispara una carga cuando recibe una señal. Los componentes son comunes y SCR admite equivalente a la carga.
