Encontramos este circuito en una Radio Electronics. El circuito se puede ver en otra parte de este sitio. La alimentación se realiza con una tensión relativamente alta.

Filtro de Scratch
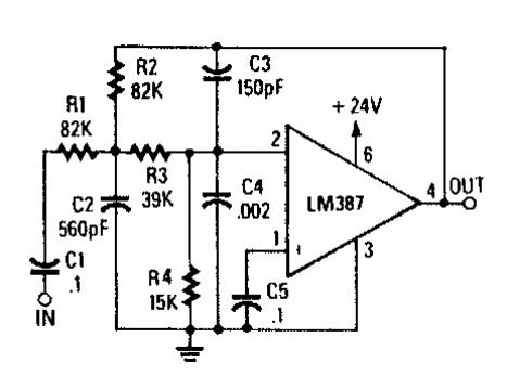
Encontramos este circuito en una Radio Electronics. El circuito se puede ver en otra parte de este sitio. La alimentación se realiza con una tensión relativamente alta.
