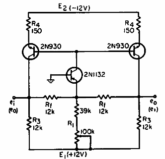
Este circuito invierte la señal si es positivo pasa a negativo. Lo encontramos en una documentación estadounidense de 1969.

Inversor simétrico
Este circuito invierte la señal si es positivo pasa a negativo. Lo encontramos en una documentación estadounidense de 1969.
