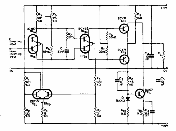
Este circuito se obtuvo de una publicación de Philips de 1968. Los transistores son de la época. Los transistores duales se pueden reemplazar por pares casados. La alimentación es simétrica. El ancho de banda va de 0 a 10 MHz.

Amplificador de ganancia 100 000



