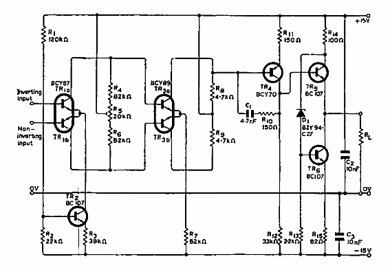
Este circuito que tiene una respuesta de 10 Hz a 700 kHz se encontró en la documentación de Philips de 1968. Los transistores duales se pueden reemplazar por pares casados.

Amplificador de ganancia 70 000
Este circuito que tiene una respuesta de 10 Hz a 700 kHz se encontró en la documentación de Philips de 1968. Los transistores duales se pueden reemplazar por pares casados.
