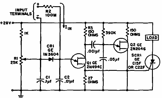
Encontramos este circuito de transistor en una documentación de General Electric de 1967. El circuito utiliza componentes que todavía se pueden encontrar fácilmente en el mercado, siendo el SCR del tipo 106.

Sensor de nanoamperes
Encontramos este circuito de transistor en una documentación de General Electric de 1967. El circuito utiliza componentes que todavía se pueden encontrar fácilmente en el mercado, siendo el SCR del tipo 106.
