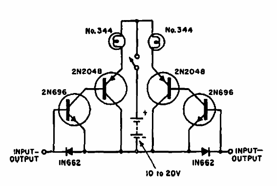
El circuito que se muestra se encontró en una documentación estadounidense de 1964. El circuito utiliza transistores de la época y los indicadores son pequeñas lámparas.

Detector de nivel de corriente bipolar
El circuito que se muestra se encontró en una documentación estadounidense de 1964. El circuito utiliza transistores de la época y los indicadores son pequeñas lámparas.
