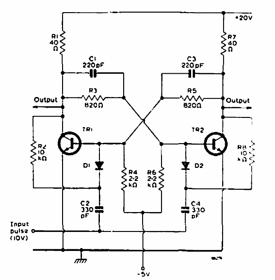
Sugerido por una documentación de Philips de 1968, este flip-flop Eccles Jordan, como se llamaba, puede funcionar a frecuencias de hasta 100 kHz. El circuito está alimentado por una tensión relativamente alto y los transistores son de propósito general de la época.

Flip Flop de alta corriente



