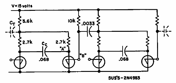
Este circuito se obtuvo de una documentación de General Electric de 1967. El circuito utiliza SUS inusuales hoy. Se pueden agregar otros pasos al circuito.

Divisor binario
Este circuito se obtuvo de una documentación de General Electric de 1967. El circuito utiliza SUS inusuales hoy. Se pueden agregar otros pasos al circuito.
