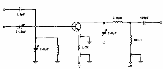
Este circuito Motorola de 1967 está diseñado para funcionar con señales de hasta 250 MHz que entregan una señal de 50 MHz en la salida. El transistor es el MM1941, poco común en la actualidad.

Convertidor de ganancia de 25 dB
Este circuito Motorola de 1967 está diseñado para funcionar con señales de hasta 250 MHz que entregan una señal de 50 MHz en la salida. El transistor es el MM1941, poco común en la actualidad.
