Este circuito se encontró en una documentación estadounidense de 1970. Podemos aumentar el número de pasos del multiplicador para tener una tensión de salida más alta. La frecuencia de funcionamiento es de alrededor de 1,35 kHz.

Convertidor DC DC
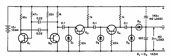
Este circuito se encontró en una documentación estadounidense de 1970. Podemos aumentar el número de pasos del multiplicador para tener una tensión de salida más alta. La frecuencia de funcionamiento es de alrededor de 1,35 kHz.
