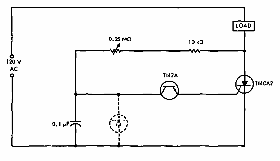
Sugerido por Texas Instruments en documentación de 1968, este circuito utiliza componentes de la época. Se pueden emplear diacs y SCR modernos.

Control de media onda
Sugerido por Texas Instruments en documentación de 1968, este circuito utiliza componentes de la época. Se pueden emplear diacs y SCR modernos.
