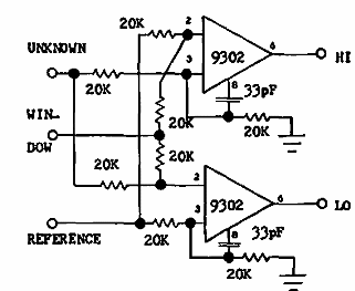
Aplicando un operacional de la época, este circuito de documentación antigua puede elaborarse con modernos operacionales. La alimentación debe ser simétrica.

Comparador completo
Aplicando un operacional de la época, este circuito de documentación antigua puede elaborarse con modernos operacionales. La alimentación debe ser simétrica.
