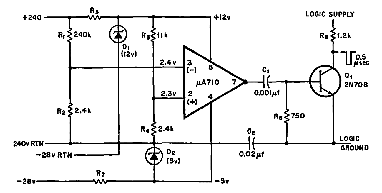
Este circuito de alto voltaje se encontró en una documentación de 1970. El integrado es de la época y se pueden probar equivalentes modernos. Se deben calcular los resistores del sistema reductor de tensión.

 

Circuito lógico de control
Circuito lógico de control | Haga click en la imagen para ampliar |