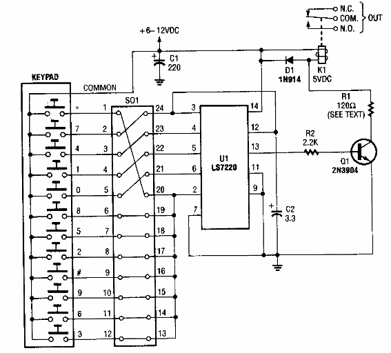
Encontrado en una Popular Electronics de los años 80, este circuito utiliza un integrado poco común hoy en día. La programación se realiza mediante un interruptor DIP.

Llave de código
Encontrado en una Popular Electronics de los años 80, este circuito utiliza un integrado poco común hoy en día. La programación se realiza mediante un interruptor DIP.
