Este circuito se encontró en un EDN de los 80. El circuito utiliza un CMOS común actual, el 4093 que alimenta un LED. El ajuste del disparo se realiza en un trimpot.

Detector de batería baja
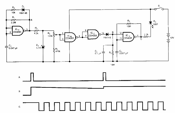
Este circuito se encontró en un EDN de los 80. El circuito utiliza un CMOS común actual, el 4093 que alimenta un LED. El ajuste del disparo se realiza en un trimpot.
