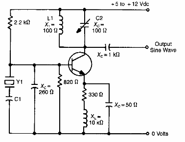
Encontrado en una documentación estadounidense, este circuito puede emplear transistores de propósito general y la frecuencia generada depende del cristal.

Oscilador de 10 a 150 kHz
Encontrado en una documentación estadounidense, este circuito puede emplear transistores de propósito general y la frecuencia generada depende del cristal.
