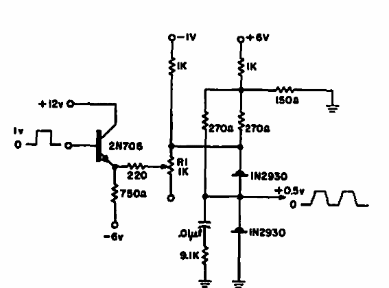
Este circuito se obtuvo de una Electronic Design de 1964. El circuito utiliza diodos de túnel que son poco comunes hoy en día. El circuito funciona con señales muy débiles.

Comparación para 2 MHz
Este circuito se obtuvo de una Electronic Design de 1964. El circuito utiliza diodos de túnel que son poco comunes hoy en día. El circuito funciona con señales muy débiles.
