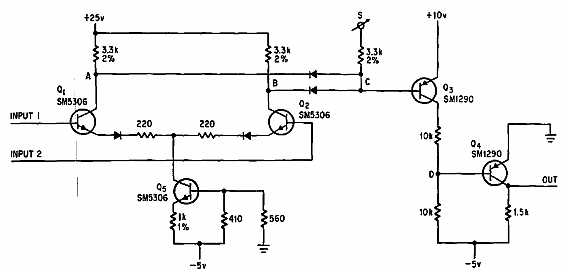
Este circuito se puede ajustar entre 0.2 y 2 V para disparar con las tensiones elegidas comparándolas con las tensiones de entrada. Lo encontramos en una documentación de 1967.

Comparador analógico ajustable
Este circuito se puede ajustar entre 0.2 y 2 V para disparar con las tensiones elegidas comparándolas con las tensiones de entrada. Lo encontramos en una documentación de 1967.
