Este circuito se dispara eligiendo el mayor de dos tensiones. El circuito es de una Electronic Design de 1964. Los transistores son de la época y pueden ser reemplazados por equivalentes actuales.

Reconocidor de tensión
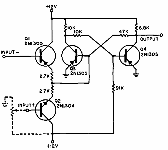
Este circuito se dispara eligiendo el mayor de dos tensiones. El circuito es de una Electronic Design de 1964. Los transistores son de la época y pueden ser reemplazados por equivalentes actuales.
