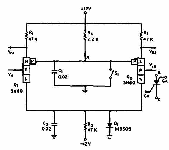
Este interesante circuito de un diseño electrónico almacena la tensión más alta de las aplicado a sus entradas. El circuito es de 1964 y se puede adaptar para usar componentes modernos.

Memoria de tensión más alta
Este interesante circuito de un diseño electrónico almacena la tensión más alta de las aplicado a sus entradas. El circuito es de 1964 y se puede adaptar para usar componentes modernos.
